-
Doraこんにちは、私はメキシコのアルミニウム製錬植物で既に装置を使用し、あなたの会社のレーザー装置の機能によって驚いた。 -
シルビアよいガスの漏水検知の器械!!!高く正確なテスト価値:D
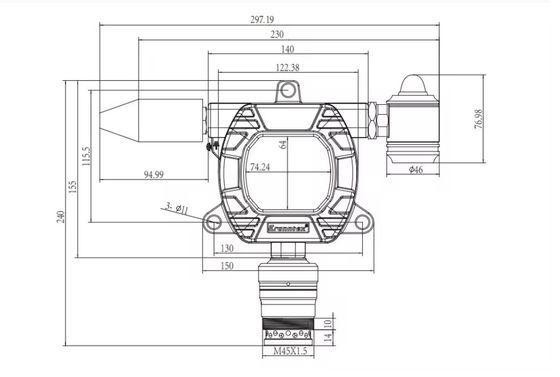
ゼトロン MIC600-CO/O2/H2S/LEL 部門 1 標準 10-95% RH 動作湿度を持つ固定マルチガス検出器
試供品およびクーポンのための私に連絡しなさい。
Whatsapp:0086 18588475571
Wechat: 0086 18588475571
スカイプ: sales10@aixton.com
心配があれば、私達は24時間のオンライン・ヘルプを提供する。
x| 視野角範囲 | 90° | センサー範囲 | 0~250ppm |
|---|---|---|---|
| 適当なガス | アルゴン | 基準 | クラス I、ディビジョン 1、グループ A、B、C、D |
| シェル材料 | アルミニウム | 動作湿度 | 10~95% RH (冷却しない) |
| アラーム | 音声と視覚アラーム,リレー出力,4-20mA出力 | 作業湿度 | 0-95%RH |
| ハイライト | LEL 固定ガス検出器,MIC600-CO固定ガス検出器,H2S固定ガス検出器 |
||
MIC600-O2/CO/H2S/LEL 固定型多気体検出器
製品説明:
この固定マルチガス検出器は24Vの直流電源 (範囲は-15%~20%) で動いており,PPM,Mg/m3,Vol%,LEL%,PPHM,Ppb,Mg/lを含む幅広いガスを検出できます.この多用性により,様々な産業用環境に理想的なソリューションになります化学工場,石油精製工場,廃水処理施設を含む.
この固定ガス検出器は,汎用的なガスユニット検出機能に加えて,高湿度での動作も提供しており,RH (不凝縮) は10~95%の範囲です.これは様々な環境で使用できるということです湿度や湿度が高い場所も含めて
この固定型マルチガス検出器の主要な利点の1つは,30秒未満の迅速な応答時間です.環境に危険性のあるガスの存在を迅速かつ正確に検出できるリスクや危険を軽減するための迅速な対策を可能にします.
固定ガス検出器は,固定位置でのガスレベルを監視するための信頼性と効果的なソリューションです.耐久性のある構造と汎用性のあるガスユニット検出能力により,高い動作湿度様々な産業用アプリケーションに理想的な選択です.
特徴:
- 製品名:固定ガス検出器
- 動作温度: -20°Cから50°C
- 基準:クラスI,ディビジョン1,グループA,B,C,D
- アラーム 音声と視覚アラーム リレー出力 4-20mA出力
- 侵入防止:IP66
- 作業湿度: 0~95%RH
この固定オンラインガスモニターは,クラスI,ディビジョン1,グループA,B,C,D規格を満たすリアルタイムガス検出器です. 音声および視覚アラーム,リレー出力,4-20mA出力があります.IP66 防災等級また,作業湿度 0~95% RH の範囲内で動作します.
技術パラメータ:
| 技術パラメータ | 記述 |
|---|---|
| 製品名 | 固定ガス検出器 |
| 製品タイプ | オンラインガストランスミッター |
| 動作湿度 | 10~95% RH (冷却しない) |
| システム電源 | 24V DC (-15% ~ +20%) |
| 応答時間 | ≤30秒 |
| 視角範囲 | 90° |
| センサーの範囲 | 0-250ppm |
| アラーム | 音声と視覚アラーム,リレー出力,4-20mA出力 |
| 侵入防止 | IP66 |
| ガスユニット | PPM, Mg/m3, Vol%, LEL%, PPHM, Ppb, Mg/l |
| 作業湿度 | 0~95%RH |
| 指示 | LED |
応用:
この固定型ガス検出器の最も一般的な用途は 工業用環境です 製造工場から化学生産施設までこのガスのアラームは,危険なガスから労働者を保護したい人にとって必須ですメタン,水素,アンモニア,炭素一酸化物を含む様々なガスを検出でき,さまざまな産業に多用性のある選択肢となっています.
MIC600の別の一般的な用途は 石油・ガス産業です プロパンやブタンなどの爆発性ガスを検出する能力でこの固定マルチガス検出器は,石油精製工場や天然ガス生産施設で働く人々にとって不可欠なツールです高濃度で致命的な硫化水素のような 有毒ガスを検出できます
MIC600のような固定ガス検出器は,商業用環境でも一般的に使用されています.例えば,彼らはしばしば駐車場に設置されています.自動車の排気ガスから蓄積する危険な化学物質を検知する実験室や,窒素二酸化物などのガスを監視する食品加工工場でも使用できます
MIC600は住宅用で 人気です 家主は自宅で炭素一酸化物を検出するために使用できます特殊なガス検出器を使わずに検出するのが難しいのですまた,天然ガスの漏れを検出するためにも使用できます.
全体的に,ゼトロンのMIC600固定マルチガス検出器は,高品質のガスアラームであり,幅広い用途に適しています.読みやすいディスプレイ危険性のあるガスを監視する必要のある人にとって必須です. さらに,最低注文量は1個のみで,個人や企業にとっても手頃な価格の選択肢です.

